Садржај
Мотокултиватор је свестрана техника помоћу које можете обављати пуно кућних послова. Уређај је потребан чак и зими за уклањање снега, само морате на њега повезати одговарајуће додатке. Сада ћемо размотрити поступак израде чистача снега од Уради сам мотокултиватор, а такође сазнајте које млазнице се и даље користе за рад зими.
Разноликости сњежних плугова, принцип њиховог рада и поступак израде
Разноликост опреме за уклањање снега за мотокултиваторе није тако велика. Најефикаснија је ротацијска спона. Снег се такође може уклонити сечивом. Четка за пут је обично упарена са овом лопатом, али код куће се последња врста споне ретко користи.
Лопатица за чишћење снега
Најједноставнији плуг за култиватор је сечиво. Иако је паметније користити булдожер са мотокултиватором, јер има снажнији мотор. Али такође можете заварити и малу лопату за мотокултиватор. Веома је лако радити са таквим узорком. Сечиво је причвршћено за носач на оквиру култиватора. Током кретања опреме, лопата грабља снежни покривач. Тако да снег одлази у страну, а не набија се на велику гомилу, лопата се поставља под благим углом у односу на пут.
За мотокултиватор, сечиво је направљено од челичног лима дебљине 3 мм. Међутим, врло је тешко самостално савити метални обрадак без одговарајуће опреме. Лакше је пронаћи комад челичне цеви пречника 200-300 мм, поделити га по дужини на три дела и брусилицом исећи један полукружни сегмент.
Дно лопате је нож. Пресећи ће снежни слој. Међутим, челични нож може оштетити плочнике за поплочавање или асфалт. За такав рад потребно је исећи траку са транспортне траке и причврстити је вијцима на дно сечива.
На задњој страни лопате, на врху су заварене 2 ока, а шипке су причвршћене за њих, идући до управљачких полуга. Очи су такође заварене у средини оштрице. Овде је причвршћена шипка помоћу које је спона фиксирана на носач на оквиру култиватора. Монтажа булдожера је завршена, можете покушати да веслате снег.
Ротациони снежни плуг
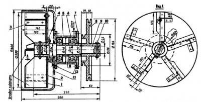
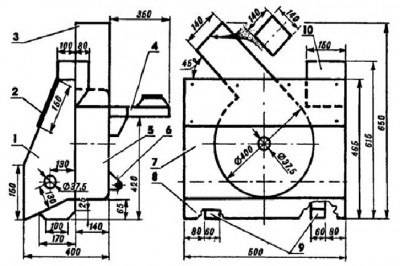
Да бисте направили ротациони чистач снега од култиватора, потребно је да обавите пуно окретања и заваривања. Таква шарка се назива и пуж. Механизам се састоји од челичног кућишта. Унутрашњост се окреће на лежајевима. Ножеви у облику спирале хватају снег и гурају га са бочних страна тела према централном делу. У овом тренутку на ротору, металне лопатице се окрећу. Они покупе снег и истисну га кроз млазницу постављену на тело снега. Правац поласка регулише се визиром. За то се чаура ставља на излаз млазнице. На врху је постављен окретни визир. Сам оператер га окреће у правом смеру.
Најтежи део за производњу је пуж. Лакше га је наћи готовог од старе пољопривредне опреме.У супротном, мораћете да обавите окретање и заваривање. Вијак се саставља према приказаном цртежу. Прво узмите комад цеви пречника 20-25 мм. Игле су причвршћене на оба краја. Ножеви су направљени од челичног лима дебљине 2 мм. Да бисте то урадили, исеците 8 половина дискова. Заварени су на цев тако да се добије двострана спирала. У средишту ротора између две спирале заварене су металне лопатице.
Након израде сврдла започиње састављање тела фрезе за снег. Њени фрагменти су изрезани од челичног лима дебљине 2 мм. На доњем делу тела причвршћена је челична трака која делује као фиксни нож. Пресећи ће слојеве снега. Да би се снежном машином олакшало кретање по снегу, тело се поставља на тркаче зване скије. Одвојена цев од комада цеви заварена је на врху у центру тела. Ово ће бити излаз за снег.
Даљи кораци имају за циљ уградњу пужа. Прво су лежајна седишта бр. 203 причвршћена завртњима за бочне зидове кућишта изнутра, а након тога је уграђен сам пуж. Пренос обртног момента са мотора култиватора на ротор је организован помоћу ременског погона. Овде треба да инсталирате погон и погонски ремен. Препоручљиво је размислити о систему затезања. Помоћи ће вам у подешавању брзине како бисте избегли проклизавање каиша.
Кућиште са окретним снежним покривачем савијено је од поцинкованог челика. Страга су на тело ротационе фрезе за снег причвршћене шипке уз помоћ којих је обезбеђена спојница са култиватором. Током рада механизма, снег из чауре ће излетети на растојању од 3-5 м. Удаљеност бацања зависи од брзине сврдла и угла нагиба окретне капуљаче.
Видео представља домаће ротациони чистач снега:
Вентилаторска фреза за снег за мотокултиватор
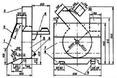
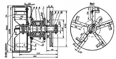
Према представљеним цртежима, можете направити вентилатор за снег. Прво је овално тело заварено од челичног лима. Овај облик је неопходан за усисавање снега од стране вентилатора. У отвор на задњем делу кућишта уграђена је чаура лежаја. У снежној фрези биће их 4. Два лежаја се гурају на осовину, а затим убацују у чауру. Један крај осовине треба да вири изван кућишта. Овде су постављена још два лежаја са стаклом на која су заварени монтажни носачи. Крај осовине такође треба да вири са ове стране.
Ротирајући механизам за чишћење снега је сада завршен. Сада су лопатице вентилатора постављене на осовину која вири унутар кућишта. Испред је радно коло покривено заштитном челичном мрежом. На спољном крају избочене осовине постављена је ременица. Овде ће се уклопити каишни погон од радне осовине мотора мотокултиватора.
Сада морате организовати рупу за пражњење снега. За ово се на врху овалног кућишта у близини радног кола вентилатора исече широка рупа. Овде је заварена цев за одвојак, а на врх је постављена лимена чаура са визиром. Ротирајуће лопатице вентилатора повући ће снег у кућиште и под притиском га избацити кроз чауру.
Недостатак вентилатора за снег је ограничена употреба споне. Вентилатор може да усисава само свеж растресит снег. Ако је поклопац запечен, леден или мокар, онда такав снежни чистач неће радити.
Комбинована фреза за снег
Мајстори који воле да измишљају нешто посебно комбиновали су ротациони и вентилаторски чистач снега у један дизајн. Резултат је ефикасно везивање. У таквом чистачу снега, механизам сврдла одсеца набијени и мокар поклопац. Лопатице бацају снег у млазницу, где га радни вентилатор ваздухом гура кроз рукав. Ефикасност употребе комбиноване машине за чишћење снега је повећање удаљености бацања.
У производњи овог прикључка прво се састави ротациони чистач снега. Излазна млазница на телу је заварена великим пречником. Поред тога, са стране је причвршћен прстен у који је уметнут ротор са лопатицама вентилатора. На врх млазнице ставља се чаура са окретним визиром. Ротација вентилатора и пужа је организована од мотора култиватора кроз ременски погон. Можда ћете морати да поставите ременице са три нити на осовине.
Закључак
Трошкови домаће машине за чишћење снега коштаће власника вишеструко мање од куповине фабрички израђене шарке.






