Садржај
Многи мајстори су навикли да праве опрему за себе. То се односи и на мини тракторе. Јединица је направљена са чврстим или сломљеним оквиром. Прва опција је лакша за производњу, а класична - ломљење се сматра управљивијом. Јединицу можете преклопити од старих резервних делова или купити комплет за прераду мотокултиватора. Сада ћемо погледати како ће се саставити домаћи мини трактор прекида 4к4 и схватити шта је за ово потребно.
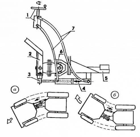
Шта је прелом
Споља се ломљени мини трактор не разликује од уобичајеног компактног модела трактора. Када се самостално израђује, таква техника се најчешће саставља на основу мотокултиватора. Главна разлика у дизајну је сломљени оквир, који се састоји од два дела. Отуда је и дошло име.
Када се самоинсталишу преломи, при руци морате имати дијаграм мини трактора, где су назначене димензије свих јединица. Када се све израчуна до најситнијих детаља, можете започети састављање.
Шта и како сакупљати
Постоји много опција за састављање домаћих производа, пошто сваки мајстор прави своја прилагођавања цртежа. Уопштено говорећи, поступак стварања прелома 4к4 изгледа овако:
- Монтажа пауза мини трактора започиње производњом оквира. Упркос грубом облику два полуоквира, сви склопови шасије су рационално смештени. Посебна карактеристика оквира је тростепени дизајн бочних елемената. Елементи предњих степеница израђени су од десетина канала. Последњи корак може се направити од профилне цеви пресека 8к8 цм. Канал # 12 је погодан за предњу траверзу, а # 16 за задњи. Пречке се израђују по сличном систему.
- Можете узети било који мотор за мини трактор за лом који је погоднији по величини, причвршћивању и снази. Четвороцилиндрични дизел снаге 40 коњских снага добро се уклапа. од. Хлађење водом спречаваће прегревање мотора, чак и ако је трактор читав дан на терену без прекида.
- Након уградње мотора, на мини трактор са оквиром прелома уграђују се осовина за пренос снаге, разводна кутија и мењач. Могу се уклонити са старог камиона ГАЗ-53. Да бисте спојили квачило са мотором, мораћете да поправите замајац. Да бисте то урадили, одсеците задњи део на стругу, а затим избрусите нови распон у средини. Поправка поклопца корпе за квачило заснива се на прилагодби.
- Задња осовина ће стати у свако возило. Не треба да прави никакве промене. Исто важи и за вратило пропелера.
Даље Уради сам мини трактор треба да инсталирате добар међуосовински размак и управљање.
Видео приказује 4 × 4 гимбал за прелом:
Уградња међуосовинског растојања
Избору величине међуосовинског растојања мора се приступити паметно. Често је мини трактор опремљен точковима из путничког аутомобила. Можете то учинити на овај начин. Главна ствар је да су димензије дискова предње осовине најмање 14 инча. У супротном ће се трактор утоварити у земљу. Међутим, не можете претерати са димензијама. Велики пречник точкова отежаће управљање. Ситуација се може исправити уградњом хидрауличког система управљања, који је у потпуности уклоњен са старе пољопривредне опреме.
Предњу осовину можете сами саставити од комада цеви са уграђеним лежајевима. Такође се може уклонити из друге опреме и ставити на трактор без модификација.
Да би се постигла добра апсорпција удара, препоручљиво је поставити гуме од 18 инча на задњу осовину. Није тешко причврстити точкове за главчине задњих осовина камиона. Прво брусилицом или резачем исеците централни део диска, где се налазе рупе за причвршћивање. Исти део је заварен на ово место, само одсечен са диска аутомобила ЗИЛ-130.
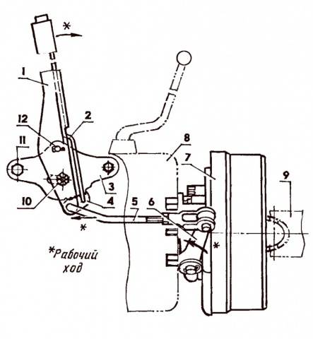
Инсталација управљача
За ломљење, управљач је погодан из било ког путничког аутомобила. Али како би се повећала окретност опреме, препоручљиво је инсталирати хидраулику. То ће олакшати управљање трактором. Цео систем је уклоњен из старе пољопривредне опреме. Такође вам је потребна пумпа за уље, коју покреће мотор. Оптимално је осигурати да се точковима главне осовине управља преко мењача. На фотографији предлажемо да видимо цртеже главних управљачких јединица.
Када инсталирате управљач, важно је запамтити да притиснете хидромеханичку бубњасту кочницу. Повезана је са папучицом помоћу вуче.
Када су све главне компоненте спремне, почињу да дизајнирају јединицу. Односно, они опремају радно место возача постављањем подесивог седишта. Надстрешница летње кабине може се причврстити на четири заварена носача. Мотор и све остале компоненте су због сигурности сакривени испод челичног кућишта. Може се савити од поцинкованог челика. За ноћни рад трактор је опремљен фаровима. Само треба да прилагодите простор на оквиру за батерију.
Тако се саставља мини трактор. уради сам прелом из старих делова. Речима се све ради једноставно, али у ствари, морате уложити пуно рада и стрпљења.






